工程總承包模式下裝配式項目該怎樣進行深化設計?
裝配式建筑建造涉及設計、采購、構件生產、施工等多個環節,采用EPC工程總承包管理模式能夠很好的發揮其一體化管理的優勢。文中從設計角度出發,結合案例深化設計的體會,探討在EPC模式下設計方在設計過程中的一些注意事項。
一、項目概況
該項目裝配區域主要為教學樓、行政樓、音樂廳、學生公寓、教師公寓和體育館,見圖1。PC構件類型主要有預制柱、疊合梁、疊合樓板和預制樓梯,整體預制率達到了30.1%。部分單體建筑預制率達到了55%。

圖1 項目現場平面布置
二、前期準備工作
在裝配式專項策劃階段,預制構件設計人員就應當了解項目當地政策, 同時預制構件深化設計應在方案階段與建設單位、設計單位積極配合,根據建筑結構、水暖電、精裝等專業設計要求,并結合構件生產工藝及施工安裝條件,對建筑方案進行優化,完成預制構件深化的初步設計。在設計方案確定后,應盡可能避免反復修改與調整,盡可能達到一次性精細化出圖,而且設計院內部應嚴控圖紙質量,避免后期配合過程中反復溝通與修改,建造流程如圖2所示。

圖2 裝配式建筑建造流程
在EPC項目中,應首先考慮成本控制這一重要因素。建筑在方案階段需要從全產業鏈的角度出發,確定一系列工程做法是否便于實現以及實施難度如何;另外,在初步設計時,還需要考慮構件的模數化和標準化,因為裝配式項目的設計重點是研究預制混凝土的拆分方案和標準化定型方案,同時預制構件生產一個重要的影響因素就是模具成本。這一環節實施時往往建筑方案已經基本確定,此時需要依據模數化原則對建筑方案進行合理修改。
三、全產業鏈協同
工程總承包模式下建筑工業化的特點是與“標準化設計”、“工廠化生產”、“裝配化施工”、“工業化內裝”與“信息化管理”五大特征緊密相關,因此裝配式建筑技術實施的關鍵就是在設計、生產、施工、管理等環節形成全產業鏈。而作為銜接設計、生產與施工的關鍵環節,深化設計在全產業鏈中起著重要作用。
預制構件深化設計的工作內容是將各方設計需求轉換為具有較強可操作性、且設計合理的施工圖紙,這一過程必然涉及各專業交叉協同等問題。由于施工總承包方具備較強的綜合能力和較多的施工經驗,因此在集成處理各方設計需求時能夠較為準確的集成及簡化,不再具體反映各專業具體需求,而是將各專業需求抽象符號化,項目將各專業與施工環節預留預埋簡化為精準定位且標注規格的埋件,施工總包方進行埋件檢查后集中反饋給構件廠,構件廠根據自身生產工藝要求進行二次深化,最后通過與施工總包方的溝通協調,將施工吊點埋件與構件脫模起吊埋件整合,最終實現了預留預埋的“一埋多用”。以上各個環節的所有需求都被匯總后,施工總包方再進行圖紙審核,從而有效提高了深化設計質量。
在工程總承包模式下,施工總承包方作為全產業鏈綜合與集成和最終完成設計成果確認的唯一方,使工作交界面更加清晰,同時也明確了各方的責任主體,從而避免了單一方設計人員工作能力的局限性引起的設計成果深度與準確度的不足,有效提高了深化設計效率,使整個全產業鏈的協同實施得以有序推進。
四、深化設計與全產業鏈關系
裝配式項目的深化設計工作開展必須圍繞各方的需求。以項目為例,結合深化設計過程中遇到的問題及解決辦法,以下闡述預制構件深化設計過程中與設計、生產、施工等環節的關系:
深化設計與全專業設計階段的協同
項目在深化設計過程中,首先從建筑方案入手,依據建筑工業化項目的設計原則,在平面拆分圖重點表達構件與主體連接方式以及構件與構件之間聯系方式,立面拆分圖表示了飾面材料排布詳圖,同時對構件接縫防水做法重點處理。考慮到傳統二次砌筑材料設置的抗震構造拉結筋對預留預埋產生的影響,二次砌筑墻體全部采用預制輕質挑板隔墻。針對門窗欄桿、空調板、GRC外飾面等小型金屬預制構件,在深化設計過程中考慮上述埋件定位與其他預留預埋及鋼筋的沖突,盡量實現一埋多用。
在構件層面,項目涉及到的預制構件主要有疊合板、預制梁柱,預制主梁底部鋼筋結合使用彎鉤錨固+錨固板錨固,解決梁柱節點鋼筋避讓的問題;預制主梁兩端設置剪力鍵槽,預制梁與現澆層結合面及預制次梁端面均做粗糙面處理,見圖3。主次梁節點設置為鉸接,次梁采用牛擔板企口梁與主梁連接,施工過程簡單、高效;預制柱主筋采用大直徑、大間距原則集中布置于四角,并補充相應構造鋼筋,箍筋采用網格箍形式,構造簡單且生產過程高效。

圖3 預制梁柱節點
電氣專業的深化設計主要針對預制柱及疊合板,在深化設計階段必須重點考慮電管、線盒的材質問題。項目采用了BIM技術,進行了場地設計、建筑性能化分析、BIM標準化設計、預制構件設計建模,建立預制構件庫,建立機電部品庫等工作,從而保證深化圖紙的精確性和可實施性,建筑信息化模型見圖4。

圖4 建筑信息化模型
深化設計與生產階段的協同
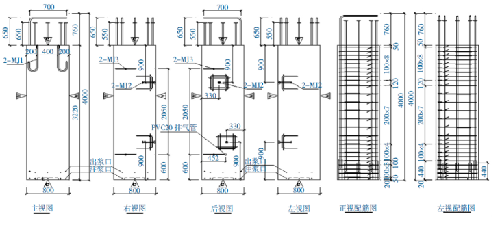
深化設計階段首先應考慮模板設計與加工的合理性,以及生產過程中模板安裝與緊固措施。生產階段主要需要考慮的預留預埋有構件脫模起吊埋件、保溫拉結件等。無論預制構件生產還是現場施工的鋼筋加工和安裝,均應逐步推廣使用機械加工和鋼筋骨架安裝等方式。這就需要從設計源頭上,對結構構件的配筋構造設計進行必要的改進。項目為適應鋼筋的標準化加工的需求,采用焊接封閉箍筋,見圖5。顯著提高了生產效率。

圖5 典型預制柱深化圖紙(單位:mm)
深化設計與施工階段的協同
深化設計在施工階段的設計要點主要有:
1.構件吊裝主要考慮起吊位置及方式,確定吊點定位時須將起吊點位置設置與構件重心處,確保起吊階段受力均勻合理;同時應根據預制構件重量合理選用起重設備,起重設備應滿足預制構件吊裝重量和作業半徑的要求;
2.裝配式項目現澆節點的模板支設一般需要在預制構件上進行預留預埋,為此須與現澆部分的模板支設方式協調統一;
3.施工安全防護架、塔吊扶壁、構件臨時支撐都可能會在預制構件上進行預留預埋。
五、結語
在EPC框架下,設計工作已并不止是設計師和業主的問題,而是需要各方包括構件加工廠和施工現場都積極參與進來,基于各自的訴求提出解決方案,最終得到一個讓各方都滿意的成果,或許這個過程很漫長,但卻不可或缺。只有通過合理的深化設計流程及對各專業深化設計要點的準確把握,才能解決不斷出現的預制構件深化設計新問題。
來源:網絡
如有侵權請聯系刪除
下一篇: 預制裝配式結構連接質量檢測方法 上一篇: BIM技術對設計至關重要 高效...
相關資訊
- 重磅!山東省工程總承包計價規則!!
- 廣東:取得特級(綜合)施工總承包資質,可入圍工程總承包龍頭骨干企業!
- 成都:注冊監理工程師可擔任工程總承包項目經理!項目經理承擔質量終身責任!
- 23年1月1日施行!四川發布工程總承包合同計價指導意見
- 四川:工程總承包合同計價指導意見發布!2023年1月1日起施行!
- 西安市住房和城鄉建設局關于印發《西安市房屋建筑和市政基礎設施項目工程總承包招標投標導則》的通知
- 3條建議,促進工程總承包和全過程工程咨詢結合!
- 安陽:不采用工程總承包,要說明原因!
- 四川:發布《工程總承包合同計價指導意見(征求意見稿)》
- 防城區雄農農業生態種養殖產業園園區道路EPC工程總承包( III 標段)工程總承包采購招標公告


